Z2 type locking assembles

Short Description:

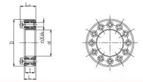
The Z2 expansion sleeve is composed of an open double-cone inner ring, an open double-cone outer ring and two double-cone compression rings. The elastic ring does not move axially relative to the hub when tightened. Compared with the Z1 type, the same compression force can produce greater radial pressure and transfer greater load. In order to facilitate disassembly, there is a screw hole for disassembly on a pressing ring, and there are 2~4 places along the circumference.


Product Detail

Product Tags

Advantages:
1. The Z2 expansion N53SI241SV expansion sleeve is composed of an open-mouth double cone north-south, an open-mouth double cone north-south and two double cone pressing rings.
2. Loosen with the hex socket screw, the flexibility ring does not move axially relative to the hub when loosened, compared with the Z1 type, and vice versa, the pressing force can produce the axial resistance of the Ferras, conveying the payload of the Ferras.
3. In order to facilitate removal, there are two to four divisions for removal in a pressing ring, along the center of the circle.
4. Widely used in packaging, printing, paper making, fasteners and other machines.

截屏2024-01-30 23.07.38

 

Boundary Dimensions

rated load

pf

pf1

Ma

W.t

d

D

I

L

L1

d1

n

Ft

Mt

N/mm2

N/mm2

M·m

KG

 200

260

46

52

68

M14

30

525

52.50

150

 115 190

8.65

 210

275

50

56

74

M 16

24

599

62.89

151

 115 295

10.10

 220

285

50

56

74

M16

26

620

68.00

150

 115 295

11.22

 240

305

50

56

74

M16

30

715

85.50

160

 125 295

12.20

 250

315

50

56

74

M1 6

32

768

96.00

162

 125 295

12.70

 260

325

50

56

74

M16

34

800

104.00

165

 130 295

13.20

 280

355

60

66

86.5

M18

32

915

128.00

145

 115 405

19.20

 300

375

60

66

86.5

M18

36

1020

153.00

150

 120 405

20.50

 320

405

72

78

100.5

M20

36

1310

210.00

150

 120 580

29.60

 340

425

72

78

100.5

M20

36

1310

224.00

145

 115 580

31.10

 360

455

84

90

116.0

M22

36

1630

294.00

145

 115 780

42.20

 380

475

84

90

116.0

M22

36

1620

308.00

135

 110 780

44.00

 400

495

84

90

116.0

M22

36

1610

322.00

130

 105 780

46.00

 420

515

84

90

116.0

M22

40

1780

374.00

135

 110 780

50.00

 450

555

96

102

130.0

M24

40

2050

461.25

124

 100 1000

65.00

 480

585

96

102

130.0

M24

42

2160

518.40

124

 100 1000

71.00

 500

605

96

102

130.0

M24

44

2240

560.00

123

 100 1000

72.60

 530

40

96

102

130.0

M24

45

2330

617.00

121

 100 1000

83.60

560

670

96

102

130.0

M24

48

2440

680.00

120

100

1000

85.00

600

710

96

102

130.0

M24

50

2580

775.00

118

100

1000

91.00

630

740

96

102

130.0

M24

52

2680

844.00

117

105

1000

94.00

670

780

96

102

130.0

M24

56

2820

944.00

116

100

1000

101.00

710

820

96

102

130.0

M24

60

2970

1054.00

115

100

1000

106.00

750

860

96

102

130.0

M24

62

3130

1173.00

115

100

1000

112.00

800

910

96

102

130.0

M24

66

3260

1300.00

112

100

1000

118.00

850

960

96

102

130.0

M24

70

3500

1487.00

113

100

1000

125.00

900

1010

96

102

130.0

M24

75

3680

1650.00

112

100

1000

132.00

950

1060

96

102

130.0

M24

80

3870

1838.00

112

100

1000

139.00

1000

1110

96

102

130.0

M24

82

4000

2000.00

110

100

1000

146.00

For more information , please contact our email :info@cf-bearing.com


  • Previous:
  • Next:

  • Related Products